74LS138怎么扩展成多线的?
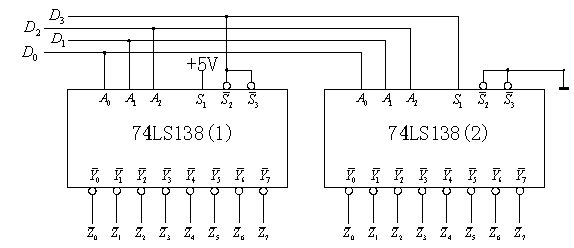
的有关信息介绍如下:先取第1片74LS138的和作为它的第四个地址输入端(在同一个时间令),再取第2片74LS138的和作为它的第四个地址输入端(在同一个时间令),最后取两片的和,并将两片74LS138相接,于是得到两片74LS138的输出分别为:

上面的两式表明了第1片74LS138工作而第2片74LS138禁止时,将的0000~0111这8个代码译成8个低电平信号;第2片74LS138工作而第1片74LS138禁止时,将的1000~1111这8个代码译成8个低电平信号。
这样就用两个3线-8线译码器74LS138扩展成一个4线-16线的译码器了,电路原理图如下图所示:

74LS138 为3线-8线译码器,共有 54LS138和 74LS138 两种线路结构型式。其中,54LS138为军用,74LS138为民用。其工作原理为:
1、当一个选通端(E1)为高电平,另两个选通端((/E2))和(/E3))为低电平时,可将地址端(A0、A1、A2)的二进制编码在Y0至Y7对应的输出端以低电平译出。(即输出为Y0至Y7的非)比如:A2A1A0=110时,则Y6输出端输出低电平信号。
2、利用 E1、E2和E3可级联扩展成 24 线译码器;若外接一个反相器还可级联扩展成 32 线译码器。
3、若将选通端中的一个作为数据输入端时,74LS138还可作数据分配器。
4、可用在8086的译码电路中,扩展内存。
参考资料来源:百度百科-74LS138



